Product Summary
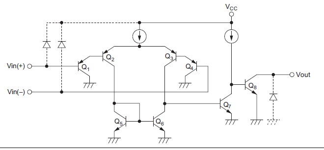
The HA17903APS is a dual comparator. The HA17903APS is comparator designed for general purpose, especially for power control systems. The HA17903APS operates from a single power-supply voltage over a wide range of voltages, and feature a reduced powersupply current since the supply current is independent of the supply voltage. These comparators have the merit which ground is included in the common-mode input voltage range at a singlevoltage power supply operation. The HA17903APS has a wide range of applications, including limit comparators, simple A/D converters, pulse/square-wave/time delay generators, wide range VCO circuits, MOS clock timers, multivibrators, and high-voltage logic gates.
Parametrics
HA17903APS absolute maximum ratings: (1)Power supply voltage VCC: 36 V; (2)Differential input voltage Vin(diff): ±VCC V; (3)Input voltage Vin: 0.3 to +VCC V; (4)Output pin voltage Vout: 0.3 to +36 V; (5)Output short current Ios *1: constant; (6)Operating temperature Topr: 40 to +85 °C; (7)Storage temperature Tstg: 55 to +125 °C.
Features
HA17903APS features: (1)Wide power-supply voltage range: 2 to 36 V; (2)Very low supply current: 0.8 mA Typ; (3)Low input bias current: 25 nA Typ; (4)Low input offset current: 3 nA Typ; (5)Low input offset voltage: 2 mV Typ; (6)The common-mode input voltage range includes ground; (7)Output voltages compatible with CMOS logic systems.
Diagrams

![]() |
![]() HA17008RP |
![]() Other |
![]() |
![]() Data Sheet |
![]() Negotiable |
|
||||
![]() |
![]() HA17080 |
![]() Other |
![]() |
![]() Data Sheet |
![]() Negotiable |
|
||||
![]() |
![]() HA17301P |
![]() Other |
![]() |
![]() Data Sheet |
![]() Negotiable |
|
||||
![]() |
![]() HA17324 |
![]() Other |
![]() |
![]() Data Sheet |
![]() Negotiable |
|
||||
![]() |
![]() HA17324A |
![]() Other |
![]() |
![]() Data Sheet |
![]() Negotiable |
|
||||
![]() |
![]() HA17324AFP |
![]() Other |
![]() |
![]() Data Sheet |
![]() Negotiable |
|
||||
(China (Mainland))








