Product Summary
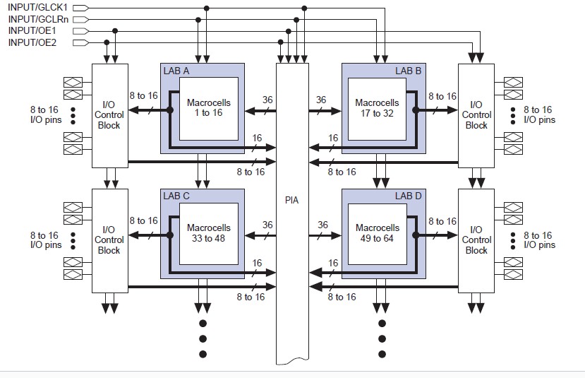
The EPM7032SLC44-10N is a Programmable Logic Device.The EPM7032SLC44-10N is based on Altera’s second generation MAX architecture. Fabricated with advanced CMOS technology, the EPM7032SLC44-10N provides 600 to 5,000 usable gates, ISP, pin-to-pin delays as fast as 5 ns, and counter speeds of up to 175.4 MHz. The EPM7032SLC44-10N in the -5, -6, -7, and -10 speed grades as well as MAX 7000 and MAX 7000E devices in -5, -6, -7, -10P, and -12P speed grades comply with the PCI Special Interest Group (PCI SIG) PCI Local Bus Specification, Revision 2.2. See Table 3 for available speed grades. The EPM7032SLC44-10N have several enhanced features: additional global clocking, additional output enable controls, enhanced interconnect resources, fast input registers, and a programmable slew rate.
Parametrics
EPM7032SLC44-10N absolute maximum ratings: (1)IOUT DC output current, per pin: –25, 25 mA; (2)TSTG Storage temperature No bias: –65, 150 ° C; (3)TAMB Ambient temperature Under bias: –65, 135 ° C; (4)VCC Supply voltage With respect to ground (2): –2.0, 7.0 V; (5)VI DC input voltage With respect to ground (2): –2.0, 7.0 V; (6)TJ Junction temperature Ceramic packages, under bias: 150 ° C; (7)TJ Junction temperature PQFP and RQFP packages, under bias: 135 ° C.
Features
EPM7032SLC44-10N features: (1)Includes 5.0-V MAX 7000 devices and 5.0-V ISP-based MAX 7000S devices; (2)Built-in JTAG boundary-scan test (BST)circuitry in MAX 7000S devices with 128 or more macrocells; (3)Complete EPLD family with logic densities ranging from 600 to 5,000 usable gates (see Tables 1 and 2); (4)5-ns pin-to-pin logic delays with up to 175.4-MHz counter frequencies (including interconnect); (5)PCI-compliant devices available; (6)High-performance, EEPROM-based programmable logic devices (PLDs)based on second-generation MAX® architecture.
Diagrams

| Image | Part No | Mfg | Description | ![]() |
Pricing (USD) |
Quantity | ||||||
|---|---|---|---|---|---|---|---|---|---|---|---|---|
![]() |
![]() EPM7032SLC44-10N |
![]() |
![]() IC MAX 7000 CPLD 32 44-PLCC |
![]() Data Sheet |
![]() Negotiable |
|
||||||
| Image | Part No | Mfg | Description | ![]() |
Pricing (USD) |
Quantity | ||||||
![]() |
![]() EPM7032AE |
![]() Other |
![]() |
![]() Data Sheet |
![]() Negotiable |
|
||||||
![]() |
![]() EPM7032AELC44-10 |
![]() |
![]() IC MAX 7000 CPLD 32 44-PLCC |
![]() Data Sheet |
![]()
|
|
||||||
![]() |
![]() EPM7032AELC44-10N |
![]() |
![]() IC MAX 7000 CPLD 32 44-PLCC |
![]() Data Sheet |
![]()
|
|
||||||
![]() |
![]() EPM7032AELC44-4 |
![]() |
![]() IC MAX 7000 CPLD 32 44-PLCC |
![]() Data Sheet |
![]()
|
|
||||||
![]() |
![]() EPM7032AELC44-4N |
![]() |
![]() IC MAX 7000 CPLD 32 44-PLCC |
![]() Data Sheet |
![]()
|
|
||||||
![]() |
![]() EPM7032AELC44-7 |
![]() |
![]() IC MAX 7000 CPLD 32 44-PLCC |
![]() Data Sheet |
![]()
|
|
||||||
(China (Mainland))










