Product Summary
The PIC16F73-I/SO is a 28 pin, 8-bit CMOS flash Microcontroller.
Parametrics
PIC16F73-I/SO absolute maximum ratings: (1)Ambient temperature under bias: -55 to +125℃; (2)Storage temperature: -65℃ to +150℃; (3)Voltage on any pin with respect to VSS (except VDD, MCLR. and RA4): -0.3V to (VDD + 0.3V); (4)Voltage on VDD with respect to VSS: -0.3 to +6.5V; (5)Voltage on MCLR with respect to VSS: 0 to +13.5V; (6)Voltage on RA4 with respect to Vss: 0 to +12V; (7)Total power dissipation: 1.0W; (8)Maximum current out of VSS pin: 300 mA; (9)Maximum current into VDD pin: 250 mA; (10)Input clamp current, IIK (VI < 0 or VI > VDD): ± 20 mA; (11)Output clamp current, IOK (VO < 0 or VO > VDD): ± 20 mA; (12)Maximum output current sunk by any I/O pin: 25 mA; (13)Maximum output current sourced by any I/O pin: 25 mA; (14)Maximum current sunk by PORTA, PORTB, and PORTE (combined): 200 mA; (15)Maximum current sourced by PORTA, PORTB, and PORTE (combined): 200 mA; (16)Maximum current sunk by PORTC and PORTD (combined) : 200 mA; (17)Maximum current sourced by PORTC and PORTD (combined): 200 mA.
Features
PIC16F73-I/SO features: (1)Timer0: 8-bit timer/counter with 8-bit prescaler; (2)Timer1: 16-bit timer/counter with prescaler, can be incremented during SLEEP via external; (3)crystal/clock; (4)Timer2: 8-bit timer/counter with 8-bit period register, prescaler and postscaler; (5)Two Capture, Compare, PWM modules: Capture is 16-bit, max. resolution is 12.5 ns; compare is 16-bit, max. resolution is 200 ns; PWM max. resolution is 10-bit; (6)8-bit, up to 8-channel Analog-to-Digital converter; (7)Synchronous Serial Port (SSP) with SPI(Master mode) and I2C(Slave); (8)Universal Synchronous Asynchronous Receiver Transmitter (USART/SCI); (9)Parallel Slave Port (PSP), 8-bits wide with external RD, WR and CS controls (40/44-pin only); (10)Brown-out detection circuitry for Brown-out Reset (BOR).
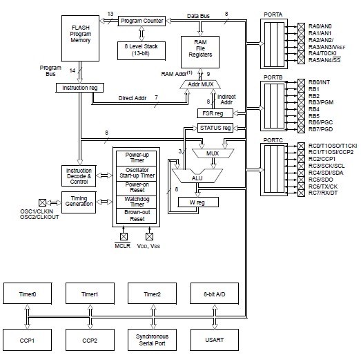
Diagrams

| Image | Part No | Mfg | Description | ![]() |
Pricing (USD) |
Quantity | ||||||||||||
|---|---|---|---|---|---|---|---|---|---|---|---|---|---|---|---|---|---|---|
![]() |
![]() PIC16F73-I/SO |
![]() Microchip Technology |
![]() 8-bit Microcontrollers (MCU) 7KB 192 RAM 22 I/O |
![]() Data Sheet |
![]()
|
|
||||||||||||
![]() |
![]() PIC16F73-I/SO4AP |
![]() Other |
![]() |
![]() Data Sheet |
![]() Negotiable |
|
||||||||||||
(China (Mainland))










