Product Summary
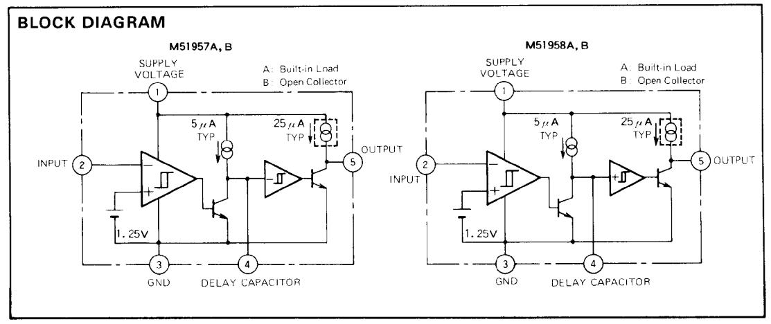
The M51957AL is a system resetting IC ideal for detecting input voltage and resetting all types of logic circuits such as COUs. The device includes a built-in delay circuit to provide the desired retardation time simply by adding an external capacitor. Applications of the M51957AL are extensive, including circuits for battery checking, level detecting and waveform shaping.
Parametrics
M51957AL absolute maximum ratings: (1)VCC, supply voltage: 18V; (2)Isink, output sink current: 6mA; (3)VO, output votlage: VCC; (4)Pd, power dissipation: 450mW; (5)Kθ, thermnal derating: 4.5mW/℃; (6)Topr, operating temperature: -30 to 85℃; (7)Tstg, storage temeprature: -40 to 125℃.
Features
M51957AL features: (1)few external parts; (2)large delay time with a capacitor of small capacitance; (3)low threshold operating voltage; (4)wide supply voltage range: 2 to 17V; (5)sudden change in power supply has minimal effect on the ICs; (6)wide operation range of detecting input pin: narrower ranges of -0.3 to VCC or -0.3 to 7V (input voltage detecting types); (7)suitable for high supply voltage circuit with simple circuit structure; (8)permits easy configuration of circuit for protection against reverse connection or surges; (9)wide application range; (10)SIL package of the same height as DIP.
Diagrams

![]() |
![]() M51957BL |
![]() |
![]() IC VOLTAGE DETECTOR 5-SIP |
![]() Data Sheet |
![]() Negotiable |
|
||||||
![]() |
![]() M51957BL#TF0J |
![]() |
![]() IC VOLTAGE DETECTOR 5-SIP |
![]() Data Sheet |
![]()
|
|
||||||
![]() |
![]() M51995AFP#CF0J |
![]() |
![]() IC SWIT PWM SMPS OVP UVLO 20SOIC |
![]() Data Sheet |
![]()
|
|
||||||
![]() |
![]() M51995FP |
![]() Other |
![]() |
![]() Data Sheet |
![]() Negotiable |
|
||||||
![]() |
![]() M51996AP |
![]() Other |
![]() |
![]() Data Sheet |
![]() Negotiable |
|
||||||
![]() |
![]() M51996AFP |
![]() Other |
![]() |
![]() Data Sheet |
![]() Negotiable |
|
||||||
(China (Mainland))










