Product Summary
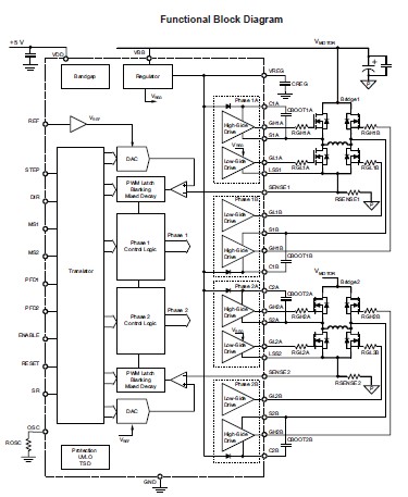
The A3986SLDT is a dual full-bridge gate driver with integrated microstepping translator suitable for driving a wide range of higher power industrial bipolar 2-phase stepper motors (typically 30 to 500 W). The Motor power of A3986SLDT is provided by external N-channel power MOSFETs at supply voltages from 12 to 50 V. This device contains two sinusoidal DACs that generate the reference voltage for two separate fixed-off-time PWM current controllers. These provide current regulation for external power MOSFET full-bridges. The A3986SLDT is the key to the easy implementation of this IC. Simply inputting one pulse on the STEP input drives the motor one step (full, half, quarter, or sixteenth depending on the microstep select input). There are no phase-sequence tables, high frequency control lines, or complex interfaces to program. This reduces the need for a complex microcontroller.
Parametrics
A3986SLDT absolute maximum ratings: (1)Supply Voltage VBB: –0.3 to 50 V; (2)Logic Supply Voltage VDD: –0.3 to 7 V; (3)Logic Inputs and Outputs: –0.3 to 7 V; (4)SENSEx pins:–1 to 1 V; (5)Sxx pins: –2 to 55 V; (6)LSSx pins: –2 to ; (7)GHxx pins Sxx to Sxx: +15 V; (8)GLxx pins: –2 to 16 V; (9)Cxx pins: –0.3 to Sxx+15 V; (10)Operating Ambient Temperature TA Range S: –20 to 85℃; (11)Junction Temperature TJ(max): 150℃; (12)Storage Temperature Tstg: –55 to 150℃.
Features
A3986SLDT features: (1)2-wire step and direction interface; (2)Dual full-bridge gate drive for N-channel MOSFETs; (3)Operation over 12 to 50 V supply voltage range; (4)Synchronous rectification; (5)Cross-conduction protection; (6)Adjustable mixed decay; (7)Integrated sinusoidal DAC current reference; (8)Fixed off-time PWM current control.
Diagrams

| Image | Part No | Mfg | Description | ![]() |
Pricing (USD) |
Quantity | ||||||||||||||||||||
|---|---|---|---|---|---|---|---|---|---|---|---|---|---|---|---|---|---|---|---|---|---|---|---|---|---|---|
![]() A3986SLDTR-T |
![]() |
![]() IC DRIVER MICROSTEPPING 38-TSSOP |
![]() Data Sheet |
![]()
|
|
|||||||||||||||||||||
| Image | Part No | Mfg | Description | ![]() |
Pricing (USD) |
Quantity | ||||||||||||||||||||
![]() |
![]() A3980 |
![]() Other |
![]() |
![]() Data Sheet |
![]() Negotiable |
|
||||||||||||||||||||
![]() |
![]() A3980KLP |
![]() |
![]() IC DRIVER MICROSTEPPING 28-TSSOP |
![]() Data Sheet |
![]()
|
|
||||||||||||||||||||
![]() |
![]() A3980KLP-T |
![]() |
![]() IC MOTOR DRIVER MICROSTEP 28-TSS |
![]() Data Sheet |
![]()
|
|
||||||||||||||||||||
![]() |
![]() A3980KLPTR |
![]() |
![]() IC DRIVER MICROSTEPPING 28-TSSOP |
![]() Data Sheet |
![]() Negotiable |
|
||||||||||||||||||||
![]() |
![]() A3980KLPTR-T |
![]() |
![]() IC DRIVER MICROSTEPPING 28-TSSOP |
![]() Data Sheet |
![]()
|
|
||||||||||||||||||||
![]() |
![]() A3981KLPTR-T |
![]() |
![]() IC MOTOR DVR MICROSTEP 28-TSSOP |
![]() Data Sheet |
![]()
|
|
||||||||||||||||||||
(China (Mainland))










