Product Summary
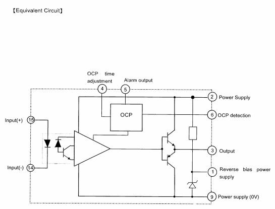
The VLA517-01R is an IGBT modlue.
Parametrics
VLA517-01R absolute maximum ratings: (1)VCC, power supply voltage: 25V; (2)Iin, photo coupler input current: 25mA; (3)Ig1, forward bias output current: 4.0A; (4)Ig2, reverse bias output current: 4.0A; (5)VISO, isolation voltage: 2500Vrms; (6)Topr, operation temperature: -25 to 60℃; (7)Tc, case temperature: -25 to 85℃; (8)Tstg, storage temperature: -25 to 125℃.
Features
VLA517-01R features: (1)Number of Pins 15; (2)Polarity N-Channel; (3)RoHS Compliant.
Diagrams

![]() |
![]() VLA500-01 |
![]() |
![]() IC IGBT GATE DVR/DC-DC CONV 12A |
![]() Data Sheet |
![]()
|
|
||||||||||||||||||||
![]() |
![]() VLA502-01 |
![]() |
![]() IC IGBT GATE DVR/DC-DC CONV 12A |
![]() Data Sheet |
![]()
|
|
||||||||||||||||||||
![]() |
![]() VLA507 |
![]() Other |
![]() |
![]() Data Sheet |
![]() Negotiable |
|
||||||||||||||||||||
![]() |
![]() VLA536-01R |
![]() |
![]() BOARD INTERFACE NX-SERIES |
![]() Data Sheet |
![]()
|
|
||||||||||||||||||||
![]() |
![]() VLA507-01R |
![]() Other |
![]() |
![]() Data Sheet |
![]() Negotiable |
|
||||||||||||||||||||
![]() |
![]() VLA513-01R |
![]() Other |
![]() |
![]() Data Sheet |
![]() Negotiable |
|
||||||||||||||||||||
(China (Mainland))









