Product Summary
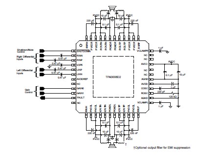
The TPA3008D2PHPR is a 10-w stereo class-d audio power amplifier. The TPA3008D2PHPR is a 10-W (per channel) efficient, class-D audio amplifier for driving bridged-tied stereo speakers. The TPA3008D2PHPR can drive stereo speakers as low as 8 W. The high efficiency of the TPA3008D2PHPR eliminates the need for external heatsinks when playing music. The gain of the amplifier is controlled by two gain select pins. The gain selections are 15.3, 21.2, 27.2, and 31.8 dB. The outputs are fully protected against shorts to GND, VCC, and output-to-output shorts. A fault terminal allows short-circuit fault reporting and automatic recovery. Thermal protection ensures that the maximum junction temperature is not exceeded.
Parametrics
TPA3008D2PHPR absolute maximum ratings: (1) Supply voltage range AVCC, PVCC: -0.3 V to 20 V; (2) Input voltage range, VI SHUTDOWN: -0.3 V to VCC + 0.3 V; (3) Input voltage range, VI GAIN0, GAIN1, RINN, RINP, LINN, LINP: -0.3 V to 6 V; (4) Continuous total power dissipation: See Dissipation Rating Table; (5) Operating free–air temperature range, TA: - 40°C to 85°C; (6) Operating junction temperature range, TJ: - 40°C to 150°C; (7) Storage temperature range, Tstg: - 65°C to 150°C; (8) Lead temperature 1,6 mm (1/16 inch) from case for 10 seconds: 260°C.
Features
TPA3008D2PHPR features: (1) 10-W/Channel Into an 16-W Load From a 17-V Supply ; (2) Up to 92% Efficient, Class-D Operation Eliminates Need For Heatsinks; (3) 8.5-V to 18-V Single-Supply Operation; (4) Four Selectable, Fixed Gain Settings; (5) Differential Inputs Minimizes Common-Mode Noise; (6) Space-Saving, Thermally Enhanced PowerPADTM Packaging; (7) Thermal and Short-Circuit Protection With Auto Recovery Option; (8) Pinout Similar to TPA3000D Family.
Diagrams

| Image | Part No | Mfg | Description | ![]() |
Pricing (USD) |
Quantity | ||||||||||
|---|---|---|---|---|---|---|---|---|---|---|---|---|---|---|---|---|
![]() |
![]() TPA3008D2PHPR |
![]() Texas Instruments |
![]() Audio Amplifiers 10-W Stereo Class-D |
![]() Data Sheet |
![]()
|
|
||||||||||
![]() |
![]() TPA3008D2PHPRG4 |
![]() Texas Instruments |
![]() Audio Amplifiers 10-W Stereo Class-D |
![]() Data Sheet |
![]()
|
|
||||||||||
(China (Mainland))









